Choose a country that suits you:Bundor-en

Choose a country that suits you:Bundor-ru

鑄鋼雙偏心蝶閥D342X-16C

【產品型號】: D342X-10/16/150LBC

【通 徑】: DN50-DN600

【公稱壓力】: PN10/16/150LB

【適用溫度】: 0~80℃

【適用介質】: 水、弱酸堿、氣、油品等

【閥體材質】: WCB

應用領域:

咨詢熱線:

13821179269(微信同號)
首頁 > 產品 > 蝶閥 > 偏心蝶閥
更新時間:2020-11-17 15:50:45

產品優(yōu)點

  • 閥體為實心重體

    閥體均為實心重體,壁厚滿足GB26640要求,保證承壓強度;

  • 數控精密機床加工

    閥體及內件均為數控精密機床加工,精度高;

  • 密封材料可選

    可選用不同密封材料,以保證密封面耐磨損,耐沖刷、耐腐蝕,使用壽命長;

  • 密封圈更換方便

    采用可更換連接式密封圈,使用標準螺栓安裝在閥板上,可輕松更換;

  • 閥軸傳動扭矩小

    閥軸使用自潤滑式套筒軸承作為支撐,可以減少閥軸傳動過程中生產的摩擦,并降低扭矩;

  • 雙層壓力檢測

    每臺閥門出廠均按照國家標準做殼體、密封雙層壓力檢測;

產品介紹

雙偏心蝶閥是在單偏心蝶閥的基礎上進一步改良。其結構特征為在閥桿軸心既偏離蝶板中心、也偏離本體中心。雙偏心的效果使閥門被開啟后蝶板能迅即脫離閥座,大幅度地消除了蝶板與閥座的不必要的過度擠壓、刮擦現象,減輕了開啟阻距、降低了磨損、提高了閥座壽命。 雙偏心蝶閥主要適用于水廠、電廠、鋼廠冶煉、化工、水源泉工程、環(huán)境設施建設等系統排水用。和中線蝶閥相比, 雙偏心蝶閥更耐高壓, 壽命更長, 穩(wěn)定性好。

產品參數

鑄鋼雙偏心蝶閥D342X-16C
執(zhí)行標準 名稱 設計及制造 結構長度 試壓標準 側法蘭尺寸
參照標準 GB/T 12238 GB/T 12221 GB/T 13927 GB/T 9113/ASME B16.5
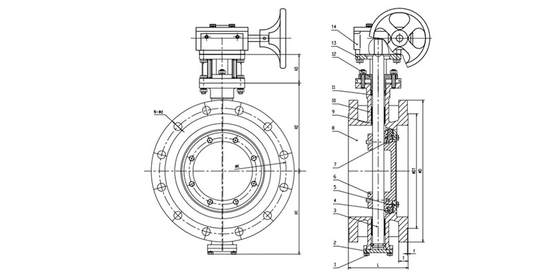
主要零部件信息 名稱 8-閥體 4-閥座密封 6-蝶板 3-閥軸 14-蝸輪
材質及說明 WCB EPDM WCB 2Cr13 組件
尺寸信息 公稱尺寸   PN10 PN16 150LB
DN NPS(英寸) L φk N-φd φk N-φd φk N-φd
50  2'' 108 125 4-18 125 4-18 120.7 4-19
65  2  1/2'' 112 145 4-18 145 4-18 139.7 4-19
80  3'' 114 160 8-18 160 8-18 152.4 4-19
100  4'' 127 180 8-18 180 8-18 190.5 8-19
125  5'' 140 210 8-18 210 8-18 215.9 8-22.4
150  6'' 140 240 8-22 240 8-22 241.3 8-22.4
200  8'' 152 295 8-22 295 12-22 298.4 8-22.4
250  10'' 165 350 12-22 355 12-26 361.9 12-25.4
300  12'' 178 400 12-22 410 12-26 431.8 12-25.4
350  14'' 190 460 16-22 470 16-26 476.2 12-28.4
400  16'' 216 515 16-26 525 16-30 539.7 16-28.4
450  18'' 222 565 20-26 585 20-30 577.8 16-31.8
500  20'' 229 620 20-26 650 20-33 635 20-31.8
600  24'' 267 725 20-30 770 20-36 749.3 20-35.1
以上信息僅供參考,般德閥門保留更新最新設計的權利,如有疑問請您聯系在線客服。
13821179269